D59R蜗轮蜗杆减速电机
产品型号
D59R-2430-180
适用范围
直流电机,使用于输入电压: 24V DC。
性能要求 (以下参数可根据客户要求更改。)
序号 | 项 目 | 要 求 | 备 注 |
1 | 额定电压 (V) | 24V | 出厂检验项目 |
2 | 额定电流 (A) | ≤6.5A | 出厂检验项目,负载测试台检测 |
3 | 额定输出功率 (W) | 30W | 出厂检验项目,测功机检测 |
4 | 额定转速(rpm) | 150 ±10rpm | 出厂检验项目,负载测试台检测 |
5 | 额定转矩(N.M) | ≥6.5N.M | 出厂检验项目,测功机检测 |
6 | 空载电流(A) | ≤1.5A | 出厂检验项目,电流表 |
7 | 空载转速(rpm) | 180±10rpm | 出厂检验项目,转速表 |
8 | 转向(轴伸端视) | 顺/逆时针 |
|
9 | 绝缘等级 | B级 |
|
10 | 防护等级 | IP20 |
|
11 | 使用环境温度(℃) | -10℃-65℃ |
|
12 | 保存温度(℃) | -10℃-50℃ |
|
13 | 保存湿度(%) | ≤85 |
|
14 |
|
|
|
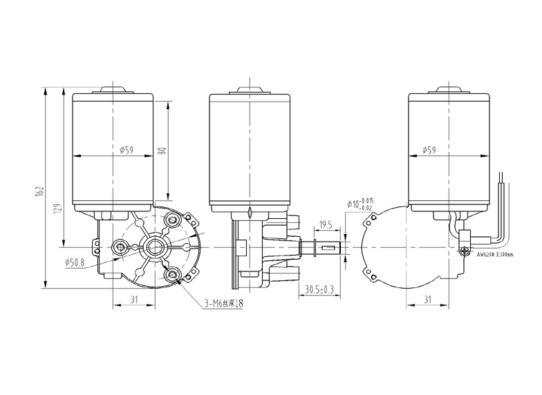
外形、安装结构:


测试条件
1、环境温度25±5℃。
噪 音 | ≤55dB |
| 出厂检验项目 |
振 动 | ≤1.8mm/S |
|
|
温 升 | ≤50℃ |
|
|
2、噪音:电机空载时距电机300mm,背景噪音小于55 dB(A)的环境下测得的A计权声功率级噪音值不大于55dB
3、机械振动:电机按照GB10068.1的有关规定进行振动测试时,电机空载运转时测得的振动速度不大于1.8mm/s。
4、绝缘电阻:在常温、常湿下≥20MΩ,热态≥5MΩ(用500V兆欧表测试);
5、绝缘耐压强度:1、电气强度:电机经绝缘处理后,转子绕组与外壳之间,施加DC300V/60S /5mA的电压,不出现闪烙和击穿现象;或者施加DC600 /1S /5mA,不出现闪烙和击穿现象。
6、起动电压:在常温、额定频率下,电压为3V/秒的速度上升,无负载情况下,满足电机的性能要求。电机安装后实际使用状态的起动情况请自行实施并确认其结果。
电机特性曲线
电机特性曲线详见附件

电机使用注意事项
电机使用注意事项详见下表
设计及使用上的注意事项 (对本产品的安全性产生疑问时,务请通知本公司进行技术检讨) | ||
安
全
性
|
忠
告 | (1) 由于使用电压和寿命、使用环境等种种条件的影响,有可能发生导致本产品短路、起火、冒烟的情况。所以,在贵公司的产品上,请采取适当的保护对策(如考虑电机过流而采取的保险丝+热保护器或热保险丝)。 (2) 本产品在通电状态下,请勿固定轴心。如果固定状态持续下去的话,本产品的一部分可能会发热、冒烟、起火(在样品无固定保护的场合下)。所以,贵公司的产品上有必要采取能检测出轴的锁定状态,从而进行解除以及温度检测断电对策。和本产品的电源端子连接时,请注意不能让端子变形。连接不充分的话,有可能会异常发热引起火灾。此外,在万一的情况下,为使周围部品避免受破坏,连接端子请用阻燃材料。 (3) 对于导线、开关继电器,请充分考虑其电气容量和耐热性,使用适合规格的产品。 (4) 在电机的安装、配线作业时,请注意不要碰伤电机的线圈、导线、边缘。如若不然,则有可能会引起触电、烧毁和起火。 (5) 通电中,切勿用手或手指碰触旋转部分。因为此举极易受伤,务请安装者加以小心 |
使 用 方 法 及 使 用 条 件 |
注
意
| (1) 本产品是以安装在其它机器里为前提条件。所以,本产品没有表示警告标识,如有表示之必要,请予联系。 (2) 温度对寿命影响很大,所以安装在贵公司产品上时,其最坏条件请设定在轴承的容许温度(上限90℃)以下。(无法测定时,请确认安装在贵公司产品上的寿命。) (3) 和锁定轴一样,不能让轴承的高温状态持续。如高温(上限温度90℃)状态持续下去的话,由于轴承的劣化,会引起噪音、振动,而影响寿命。 (4) 贵公司以独特的方式进行速度控制之场合,对是否发生异音、电机的异常发热、堵转等,应确认使用电压范围、负荷波动等变动要因。 (5) 关于噪音、电涌、瞬间停电、静电引起的误动作、回路被破坏及端子杂音对外部的影响,请贵公司在贵产品上予以确认。特别是导线校长的机种,更应确认噪音的影响等并充分的检讨。 (6) 使用贵方产品上的电机,务请以正规的安装方式进行安装。安装方式不当是引起噪音、振动的根本原因,还会给轴承寿命带来坏影响。 (7) 绝对不能用手提导线、轴等来移动马达。 (8) 电机跌落或受到与此相当的冲击后,会引起绝缘、轴承不良等情况,请勿再加以使用。 (9) 绝对不要分解此产品。如自选分解,其安全性能和其它性能将不予保证。 (10) 请不要在有腐蚀性气体(H2O、SO2、NO2、CL2)的有害环境及存有有害气体的物质(特别是有机硅系列、氰基系列、苯酚系列)之场所使用本产品。此外,还应事先确认贵公司产品内是否存有上述物质,如存在的话,有可能造成生锈和影响寿命。 (11) 保管上,应避开上述腐蚀性气体和有害环境,以及超过-10~50℃的温度和85%以上的湿度范围。特别是长期库存时,更应多加注意。保管的允许条件为常温、常湿的环境6个月以内。此外,镀层钢板断面有生锈的可能。 |
责 任 区 分
|
希 望 | (1) 电机和贵方机器本体的构造、尺寸、寿命、噪音、振动、特性等的匹配状况,务请贵公司自行确认。 (2) 超过本规格说明书所记载的规格范围以外使用时,本公司将不予保证。 (3) 贵方产品的规格变更或在其它产品上使用时,请予事先联络。 (4) 如本产品的规格变更时,将依据本公司的规格说明书或贵公司提出的文件进行,在影响产品性能、特性等时,将再试作样品并进行验证后,再进行规格变更。 (5) 在满足本规格说明书所记载的范围条件下,为改善产品的性能,有可能发生变更某一零部件等而不予联络的情况。 (6) 关于本规格说明书没有记载的事项,如有必要商定的事项,请事先联络。 (7) 如有不匹配事项发生时,依据本规格说明书所记载事项,经双方协商之后,予以解决并实施。 (8) 请勿将本规格说明书向第三方公开。 |